CAK
Меню каталога

CAK

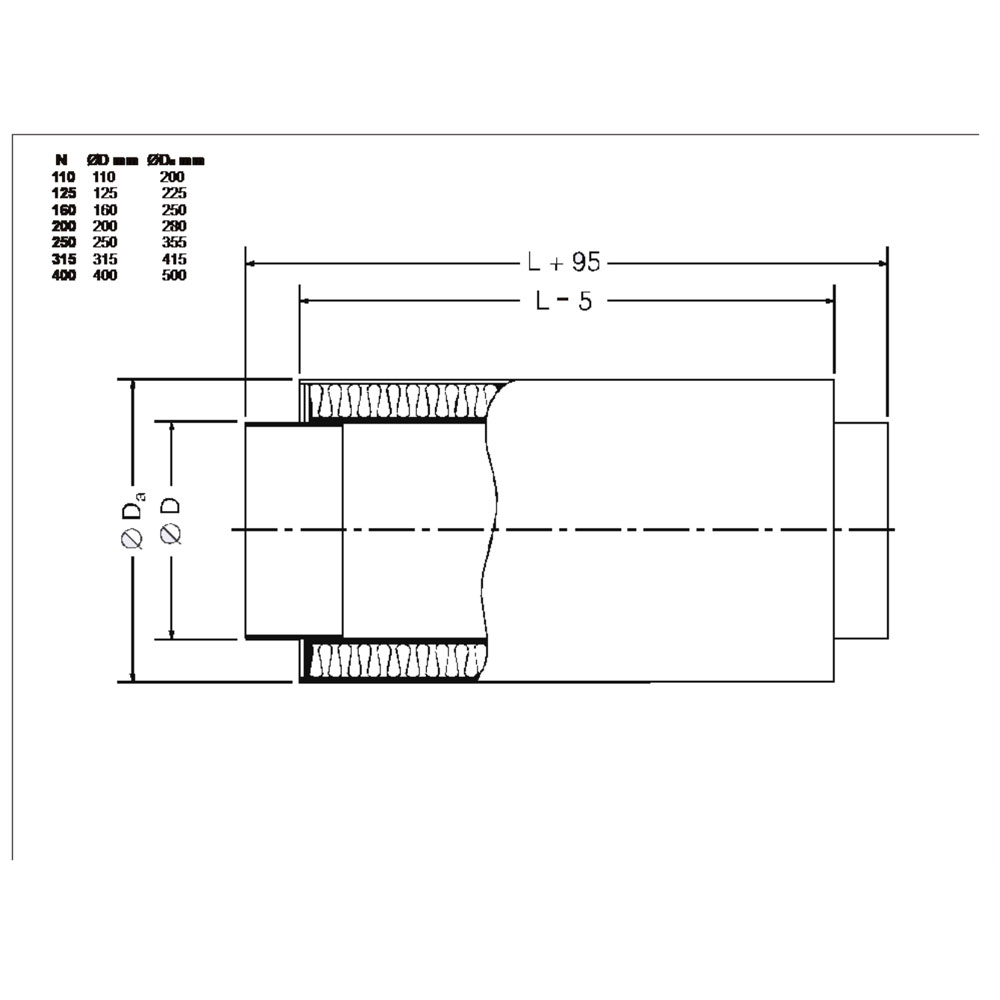
Круглые шумоглушители TROX
Стоимость
по запросу
Круглые пластиковые шумоглушители предназначены для снижения шума в круглых воздуховодах вытяжных вентиляционных систем, работающих с агрессивной средой.
Они снижают шум, создаваемый регенерируемым воздухом в пластиковых каналах (принцип поглощения).

- Снижение уровня шума, измеренное в соответствии с EN ISO 7235
- Абсорбирующий материал - минеральная вата со знаком качества RAL RAL-GZ 388.
- Конструкция с присоединительными патрубками для подсоединения к круглым воздуховодам в соответствии с DIN 8077 или DIN 8078.
- Герметичность корпуса в соответствии с EN 15727, класс D.