PKV R-L-G-W TROX
Меню каталога

PKV R-L-G-W TROX

Устройства пассивного управления TROX
Стоимость
по запросу
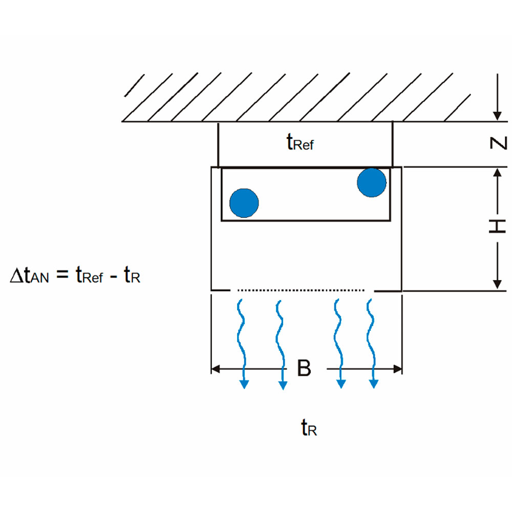
Пассивные охлаждающие балки с 2-трубным теплообменником для открытого подвесного монтажа или монтажа в модульном потолке.

Позволяют оптимизировать тепловую нагрузку.